产品中心

首页 /
产品中心
/
Application Demos

RVBoards | 26 Dec

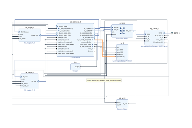
DDR3 SDRAM

This development board has a high-speed DDR3 SDRAM onboard.

了解详情

RVBoards | 26 Dec

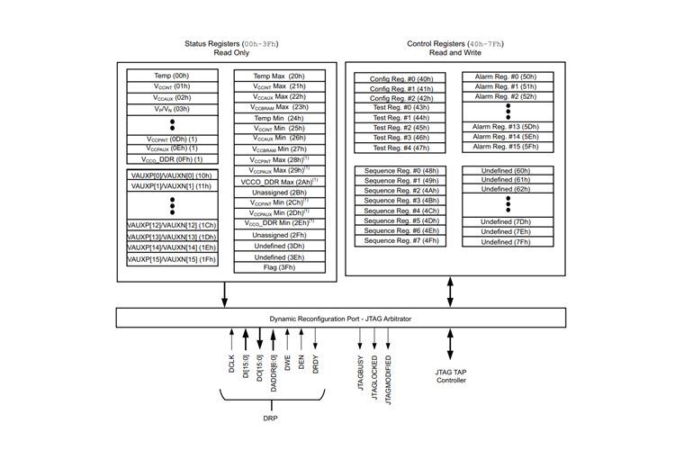
XADC product realization

It realizes the ip core of xadc to collect input data.

了解详情